Práctica 03 Montaje contactor.
Videos de interes
Contactor, que es y como funciona?
Cómo conectar un contactor (1), conexión básica.
Cómo conectar un contactor (2), conectar relé térmico.
Cómo conectar un contactor (3), conexión de relé térmico
contacto auxiliar.
Recursos
Descargar
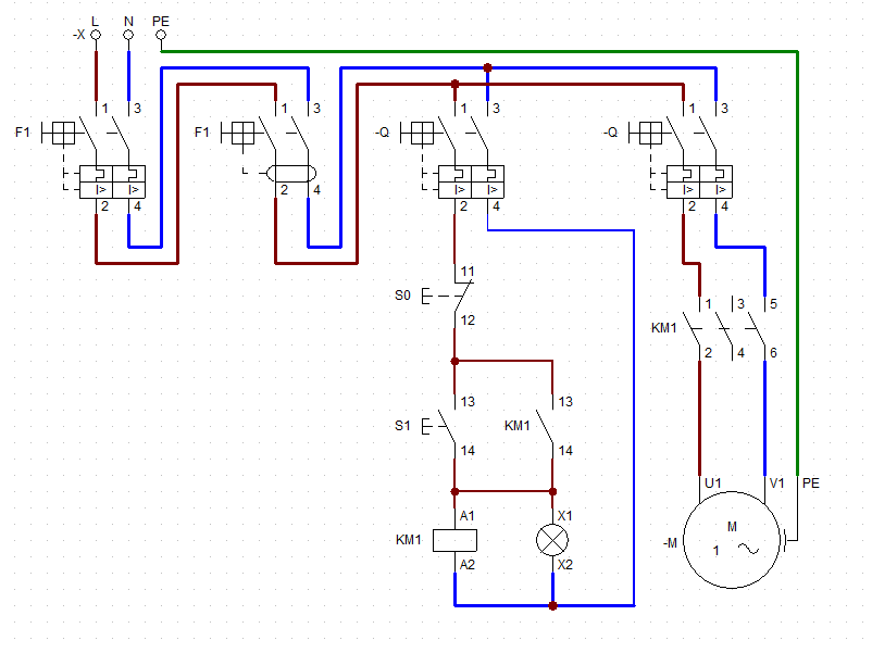
ejercicio realizado en cade-simu . Comprueba como funciona antes de montarlo físicamente.
Material necesario
- 1 Cuadro Electrico
- 1 Contactor
- 3 PIA (Magnetotérmico)
- 1 Diferencial
- 1 Pulsador verde
- 1 Pulsador rojo
- Enchufe carril DIN (donde se conectará una bombilla en vez del motor)
- Bombilla (supre al motor)
- Cable alimentación
- Cables de 1,5mm2 de diferentes colores
- 1 Regleta masa
- 1 Regleta neutro
- Diversas bornas grises
- Puntas
- Otro
Herramientas
- Tijeras de electricista
- Polímetro
- Destornilladores con aislamiento
- Grimpadora
- Guantes de protección
- Gafas de protección
- Otros
Descripción de la práctica
Siguiendo el esquema de abajo, montar en el cuadro
físico los elementos y conectarlos adecuadamente.
Ir probando su funcionamiento paso a paso.
- 1.- Conectando el contactor directamente al magnetotérmico.
- 2.- Activando el contactor al pulsar el botón verde y al soltar se desactiva
- 3.- Activando el contactor al pulsar y soltar el botón verde. Desactivandolo al pulsar el botón rojo.
Método de entrega
Mostrar al profesor funcionando para su calificación.
Subir a la carpeta que os he compartido en drive.
Foto del montaje final p03.jpg